CALCULATING PRE-HOLE DIMENSION FOR FORMING
When forming processing, pre-holes may be processed as pre-processing.
In that case, please calculate pre-holes referring to the following calculation formula.
Chamfering
Pre-hole = ( ( B × 2 ) + A ) ÷ 3
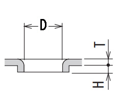
Burring
Pre-hole = D + 1.8 x T - 2 x H
Burring for tapping
| Size | Inner Dia | Pre-hole |
| M2.6 | φ2.1 | φ1.2 |
| M3 | φ2.6 | φ1.5 |
| M4 | φ3.4 | φ2.0 |
| M5 | φ4.3 | φ2.4 |
| M6 | φ5.1 | φ2.8 |
Emboss
Pre-hole = D - ( 0.6 - 0.16 × T ) × H

