เครื่องมือขึ้นรูป
LANCE
LANCE FOR AIR FLOW

LANCE

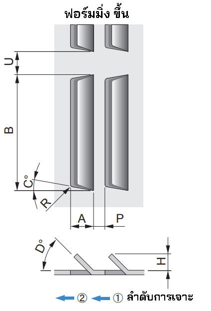
ฟอร์มมิ่ง ขึ้น

การใช้งาน
ใช้สำหรับระบายความร้อน
ตัวอย่าง

สามารถปรับขนาดช่องได้กว้าง
มุมมองจากด้านบน
ขั้นตอนการขึ้นรูป เพื่อสร้างช่องเปิด ใช้เพื่อให้อากาศไหลเวียน หรือระบายอากาศ
หมายเหตุ
- 1)โปรดระบุมุมเงย (D) หรือความสูง (H)
-
2)เงื่อนไขของพั้นช์
ความหนาของวัสดุ ≦ 2.3 mm
ความหนาของวัสดุ + ความสูง (H) < 10
มุม(C) ≧ (2°)~5°ระยะพิทช์ P ≧ 0
U ≧ 5 (ความหนาของวัสดุ ≦ 1.6 mm)
U ≧ 8 (ความหนาของวัสดุ > 1.6 mm) - ※หากไม่ตรงตามเงื่อนไขการเจาะ โปรดติดต่อเรา
- 3)ยกเว้นบางรุ่น ทูลด้านบนเป็นแบบเปลี่ยนใบได้