เครื่องมือขึ้นรูป
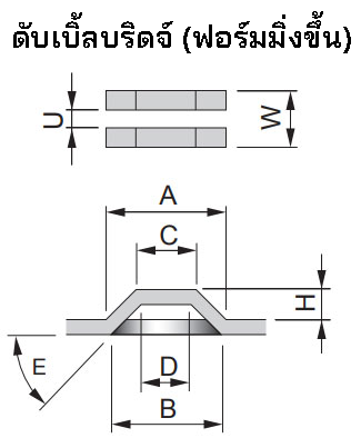
BRIDGE, DOUBLE BRIDGE
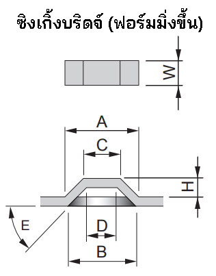
BRIDGE, DOUBLE BRIDGE

BRIDGE, DOUBLE BRIDGE

ฟอร์มมิ่ง ขึ้น

ฟอร์มมิ่ง ลง

การใช้งาน
ใช้เป็นสต็อปเปอร์
รูปทรงคล้ายสะพาน
ใช้เพื่อหลบหัวน๊อต
ใช้เพื่อเป็นฐานของชิ้นงาน
ใช้สำหรับวางวงจรอิเล็กทรอนิกส์
ตัวอย่าง

รูปทรงคล้ายครึงวงกลม

อายุการใช้งานของทูลจะยาวนานขึ้น ถ้ามีการเจาะช่องด้านซ้ายและขวาของรูปทรงสะพาน

รูปทรงนี้มีความกว้างเพื่อใช้เป็นตัวหยุด
มุมมองจากด้านบน
กระบวนการขึ้นรูปทรงคล้ายสะพาน
ใช้สำหรับขันหัวสลักเกลียวหรือน๊อต
ใช้สำหรับเป็นที่รองของผลิตภัณฑ์
ใช้สำหรับเป็นไกด์ของแผงวงจร
หมายเหตุ
-
1) โปรดระบุขนาด "A หรือ B" และ "C หรือ D"
เมื่อคุณสั่งซื้อ
คุณยังสามารถระบุขนาด "A,B,C หรือ D" และมุม (E) - 2)โปรดระบุหากต้องการพื้นที่ราบบน C หรือ D
-
3)ขีดจำกัดความสูงในการขึ้นรูป (H) มีดังนี้
-
※ขีดจำกัดความสูงในการขึ้นรูปขึ้นอยู่กับวัสดุ ความหนา และรูปร่าง
สำหรับข้อมูลเพิ่มเติม โปรดติดต่อเรา