Go to top

เครื่องมือขึ้นรูป

LANCE

LANCE FOR AIR FLOW

BURRING FOR THREAD FORM

LANCE

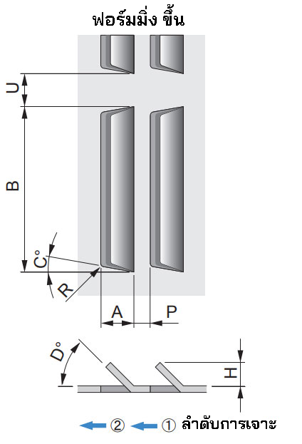
ฟอร์มมิ่ง ขึ้น

ฟอร์มมิ่ง ขึ้น

Lance
การใช้งาน

ใช้สำหรับระบายความร้อน

ตัวอย่าง

สามารถปรับขนาดช่องได้กว้าง

มุมมองจากด้านบน

ขั้นตอนการขึ้นรูป เพื่อสร้างช่องเปิด ใช้เพื่อให้อากาศไหลเวียน หรือระบายอากาศ

หมายเหตุ
  • 1)โปรดระบุมุมเงย (D) หรือความสูง (H)
  • 2)เงื่อนไขของพั้นช์
    ความหนาของวัสดุ ≦ 2.3 mm
    ความหนาของวัสดุ + ความสูง (H) < 10
    มุม(C) ≧ (2°)~5°
    ระยะพิทช์ P ≧ 0
    U ≧ 5 (ความหนาของวัสดุ ≦ 1.6 mm)
    U ≧ 8 (ความหนาของวัสดุ > 1.6 mm)
  • หากไม่ตรงตามเงื่อนไขการเจาะ โปรดติดต่อเรา
  • 3)ยกเว้นบางรุ่น ทูลด้านบนเป็นแบบเปลี่ยนใบได้
PDF DOWNLOAD
ORDER SHEET