เครื่องมือขึ้นรูป
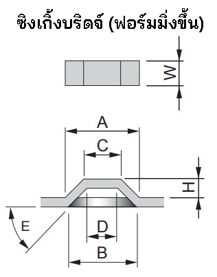
BRIDGE, DOUBLE BRIDGE
BRIDGE, DOUBLE BRIDGE
BRIDGE, DOUBLE BRIDGE
ฟอร์มมิ่ง ขึ้น
ฟอร์มมิ่ง ลง
การใช้งาน
ใช้เป็นสต็อปเปอร์
รูปทรงคล้ายสะพาน
ใช้เพื่อหลบหัวน๊อต
ใช้เพื่อเป็นฐานของชิ้นงาน
ใช้สำหรับวางวงจรอิเล็กทรอนิกส์
ตัวอย่าง
รูปทรงคล้ายครึงวงกลม
อายุการใช้งานของทูลจะยาวนานขึ้น ถ้ามีการเจาะช่องด้านซ้ายและขวาของรูปทรงสะพาน
รูปทรงนี้มีความกว้างเพื่อใช้เป็นตัวหยุด
มุมมองจากด้านบน
กระบวนการขึ้นรูปทรงคล้ายสะพาน
ใช้สำหรับขันหัวสลักเกลียวหรือน๊อต
ใช้สำหรับเป็นที่รองของผลิตภัณฑ์
ใช้สำหรับเป็นไกด์ของแผงวงจร
หมายเหตุ
-
1) โปรดระบุขนาด "A หรือ B" และ "C หรือ D"
เมื่อคุณสั่งซื้อ
คุณยังสามารถระบุขนาด "A,B,C หรือ D" และมุม (E) - 2)โปรดระบุหากต้องการพื้นที่ราบบน C หรือ D
-
3)ขีดจำกัดความสูงในการขึ้นรูป (H) มีดังนี้

-
※ขีดจำกัดความสูงในการขึ้นรูปขึ้นอยู่กับวัสดุ ความหนา และรูปร่าง
สำหรับข้อมูลเพิ่มเติม โปรดติดต่อเรา