Go to top

FORMING TOOLS

LANCE

LANCE FOR AIR FLOW

BURRING FOR THREAD FORM

LANCE

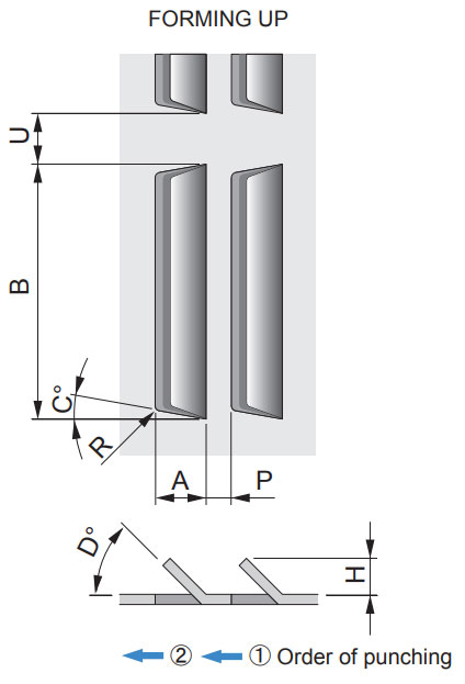
FORMING UP

FORMING UP

Lance
USAGE

Used for ventilation and radiating heat.

Forming process of lance to create an opening.
Used to provide air flow or ventilation.

EXAMPLES

The larger its standing angle is, the more the burden is imposed on the tool, and then problems such as chipping are likely to occur.

SHAPES OVERVIEW

The forming tool cuts and draws a workpiece to make an opening for ventilation.

NOTE
  • 1)Please indicate the rising angle(D) or height(H).
  • 2)Conditions of punching
    Material thickness ≦ 2.3 mm
    Material thickness + Height(H) < 10
    Angle(C) ≧ (2°)~5°
    Forming pitch P ≧ 0
    U ≧ 5 (Material thickness ≦ 1.6 mm)
    U ≧ 8 (Material thickness > 1.6 mm)
  • If the punching conditions are not met, please contact us.
  • 3)Except for some models, the upper tool is a replaceable blade type.
PDF DOWNLOAD
ORDER SHEET