FORMING TOOLS
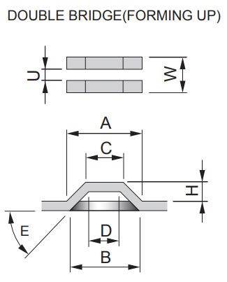
BRIDGE, DOUBLE BRIDGE
BRIDGE, DOUBLE BRIDGE
BRIDGE, DOUBLE BRIDGE
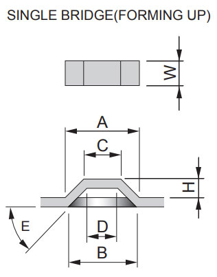
FORMING UP
FORMING DOWN
USAGE
Used for stopper.
Used for radiating heat of an equipment after processing multiple bridges.
Forming process of lance like a bridge.
Used for sinking a head of bolts or nuts.
Used for the seat of product.
Used for the guide of printed-circuit board.
EXAMPLES
It is a hemispherical bridge.
If the left and right side of the shape is punched with another tool before forming a bridge,
the cutting edge of the forming tool will maintain its sharpness for a long time.
This bridge has enough width and durability as a stopper.
SHAPES OVERVIEW
BRIDGE is formed on the workpiece.
When the flat part of the surface is extremely long, the cross sectional shape may break into M shape.
NOTE
-
1)Please indicate the dimension "A or B" and "C or D" when you order.
You can also indicate the dimension "A,B,C or D" and angle(E). - 2)Please indicate if need a flat area on C or D.
-
3)The forming limit height(H) is as follows.

-
※The limit of forming height is depend on the material and thickness and shape.
For more information, please contact us.